Ваша корзина пуста
Выберите в каталоге интересующий товар
и нажмите кнопку «В корзину».
Перейти в каталог
Заказать звонок
Обратная связь
Бытовые и промышленные климатические системы
+7 (495) 212-07-22
+7 (495) 212-07-22
г. Москва, г. Москва, ш. Энтузиастов, д. 17
Пн-Пт: 10:00-18:00
Cб-Вс: Выходной
info@igc-aircon.com
Заказать звонок
Поиск
Компания
О компании
История
Партнёры
Отзывы
Вакансии
Оборудование
Бытовые сплит-системы
Мультизональные VRF-системы
Полупромышленные кондиционеры
Промышленные кондиционеры
Тепловые насосы
Сплит-системы
Серия Alfa DC Inverter
Серия Omega
Серия Freddo DC Inverter
Серия Freddo Grey DC Inverter
Серия Freddo S DC Inverter
Серия Fresco
Серия Fresco S
Мультисплит-системы
Канальные внутренние блоки
Кассетные внутренние блоки
Напольно-потолочные внутренние блоки
Настенные внутренние блоки
Универсальные наружные блоки
Аксессуары для сплит-систем
Высоконапорные канальные внутренние блоки
Индивидуальные VRF
Кассетные внутренние блоки
Модульные наружные блоки
Напольно-потолочные внутренние блоки
Наружные блоки Mini
Настенные внутренние блоки
Низконапорные канальные внутренние блоки
Средненапорные канальные внутренние блоки
Тонкие канальные блоки
Аксессуары для VRF
Аксессуары для полупромышленных кондиционеров
Канальные сплит-системы
Кассетные сплит-системы
Колонные сплит-системы
Напольно-потолочные сплит-системы
Наружные блоки
Аксессуары для промышленных кондиционеров
Канальные внутренние блоки большой мощности
ККБ
Колонные внутренние блоки большой мощности
Мини чиллеры
Модульные чиллеры
Мощные чиллеры с винтовым компрессором
Руфтопы
Универсальные наружные блоки
Фанкойлы
Наши объекты
Мультизональные системы
Полупромышленные системы
Чиллеры
Стать дилером
Стать дилером
Кондиционеры оптом
Новости
Где купить
Поддержка
Контакты
...
Компания
О компании
История
Партнёры
Отзывы
Вакансии
Оборудование
Бытовые сплит-системы
Сплит-системы
Серия Alfa DC Inverter
Серия Omega
Серия Freddo DC Inverter
Серия Freddo Grey DC Inverter
Серия Freddo S DC Inverter
Серия Fresco
Серия Fresco S
Мультисплит-системы
Канальные внутренние блоки
Кассетные внутренние блоки
Напольно-потолочные внутренние блоки
Настенные внутренние блоки
Универсальные наружные блоки
Аксессуары для сплит-систем
Мультизональные VRF-системы
Высоконапорные канальные внутренние блоки
Индивидуальные VRF
Кассетные внутренние блоки
Модульные наружные блоки
Напольно-потолочные внутренние блоки
Наружные блоки Mini
Настенные внутренние блоки
Низконапорные канальные внутренние блоки
Средненапорные канальные внутренние блоки
Тонкие канальные блоки
Аксессуары для VRF
Полупромышленные кондиционеры
Аксессуары для полупромышленных кондиционеров
Канальные сплит-системы
Кассетные сплит-системы
Колонные сплит-системы
Напольно-потолочные сплит-системы
Наружные блоки
Промышленные кондиционеры
Аксессуары для промышленных кондиционеров
Канальные внутренние блоки большой мощности
ККБ
Колонные внутренние блоки большой мощности
Мини чиллеры
Модульные чиллеры
Мощные чиллеры с винтовым компрессором
Руфтопы
Универсальные наружные блоки
Фанкойлы
Кассетные 360° Х серия
Кассетные 4х-поточные 2х-трубные
Кассетные 4х-поточные 2х-трубные компактные
Кассетные 4х-поточные 4х-трубные
Кассетные однопоточные
Настенные фанкойлы
Средненапорные канальные Х серия
Низконапорные канальные
Высоконапорные канальные
Средненапорные канальные
Напольно-потолочные бескорпусные
Напольно-потолочные с забором воздуха снизу
Напольно-потолочные с забором воздуха спереди
Канального типа, 2‑х трубные, высоконапорные, серия Q
Канального типа, 4‑х трубные, серия Q
Канальные 4х-трубные
Кассетного типа 4‑х трубные, серия Q
Консольного типа ультратонкие, 2‑х трубные, серия Q
Напольно-потолочные 2-х трубные, серия Q
Напольно-потолочные, 4-х трубные, серия Q
Настенные фанкойлы сериа А
Тепловые насосы
Наши объекты
Мультизональные системы
Полупромышленные системы
Чиллеры
Стать дилером
Стать дилером
Кондиционеры оптом
Новости
Где купить
Поддержка
Контакты
+7 (495) 212-07-22
Заказать звонок
Оборудование
Мультизональные VRF-системы
Высоконапорные канальные внутренние блоки
Индивидуальные VRF
Кассетные внутренние блоки
Модульные наружные блоки
Напольно-потолочные внутренние блоки
Наружные блоки Mini
Настенные внутренние блоки
Низконапорные канальные внутренние блоки
Средненапорные канальные внутренние блоки
Тонкие канальные блоки
Аксессуары для VRF
Полупромышленные кондиционеры
Аксессуары для полупромышленных кондиционеров
Канальные сплит-системы
Кассетные сплит-системы
Колонные сплит-системы
Напольно-потолочные сплит-системы
Наружные блоки
Промышленные кондиционеры
Аксессуары для промышленных кондиционеров
Канальные внутренние блоки большой мощности
ККБ
Колонные внутренние блоки большой мощности
Мини чиллеры
Модульные чиллеры
Мощные чиллеры с винтовым компрессором
Руфтопы
Универсальные наружные блоки
Фанкойлы
Кассетные 360° Х серия
Кассетные 4х-поточные 2х-трубные
Кассетные 4х-поточные 2х-трубные компактные
Кассетные 4х-поточные 4х-трубные
Кассетные однопоточные
Настенные фанкойлы
Средненапорные канальные Х серия
Низконапорные канальные
Высоконапорные канальные
Средненапорные канальные
Напольно-потолочные бескорпусные
Напольно-потолочные с забором воздуха снизу
Напольно-потолочные с забором воздуха спереди
Канального типа, 2‑х трубные, высоконапорные, серия Q
Канального типа, 4‑х трубные, серия Q
Канальные 4х-трубные
Кассетного типа 4‑х трубные, серия Q
Консольного типа ультратонкие, 2‑х трубные, серия Q
Напольно-потолочные 2-х трубные, серия Q
Напольно-потолочные, 4-х трубные, серия Q
Настенные фанкойлы сериа А
Тепловые насосы
Бытовые сплит-системы
Сплит-системы
Серия Alfa DC Inverter
Серия Omega
Серия Freddo DC Inverter
Серия Freddo Grey DC Inverter
Серия Freddo S DC Inverter
Серия Fresco
Серия Fresco S
Мультисплит-системы
Канальные внутренние блоки
Кассетные внутренние блоки
Напольно-потолочные внутренние блоки
Настенные внутренние блоки
Универсальные наружные блоки
Аксессуары для сплит-систем
Наши объекты
Мультизональные системы
Полупромышленные системы
Чиллеры
Стать дилером
Стать дилером
Кондиционеры оптом
Новости
Где купить
Поддержка
Контакты
Компания
О компании
История
Партнёры
Отзывы
Вакансии
Задать вопрос
Войти
Корзина
Отложенные
Сравнение товаров
г. Москва, г. Москва, ш. Энтузиастов, д. 17
info@igc-aircon.com
Компания
О компании
История
Партнёры
Отзывы
Вакансии
Оборудование
Бытовые сплит-системы
Мультизональные VRF-системы
Полупромышленные кондиционеры
Промышленные кондиционеры
Тепловые насосы
Сплит-системы
Серия Alfa DC Inverter
Серия Omega
Серия Freddo DC Inverter
Серия Freddo Grey DC Inverter
Серия Freddo S DC Inverter
Серия Fresco
Серия Fresco S
Мультисплит-системы
Канальные внутренние блоки
Кассетные внутренние блоки
Напольно-потолочные внутренние блоки
Настенные внутренние блоки
Универсальные наружные блоки
Аксессуары для сплит-систем
Высоконапорные канальные внутренние блоки
Индивидуальные VRF
Кассетные внутренние блоки
Модульные наружные блоки
Напольно-потолочные внутренние блоки
Наружные блоки Mini
Настенные внутренние блоки
Низконапорные канальные внутренние блоки
Средненапорные канальные внутренние блоки
Тонкие канальные блоки
Аксессуары для VRF
Аксессуары для полупромышленных кондиционеров
Канальные сплит-системы
Кассетные сплит-системы
Колонные сплит-системы
Напольно-потолочные сплит-системы
Наружные блоки
Аксессуары для промышленных кондиционеров
Канальные внутренние блоки большой мощности
ККБ
Колонные внутренние блоки большой мощности
Мини чиллеры
Модульные чиллеры
Мощные чиллеры с винтовым компрессором
Руфтопы
Универсальные наружные блоки
Фанкойлы
Наши объекты
Мультизональные системы
Полупромышленные системы
Чиллеры
Стать дилером
Стать дилером
Кондиционеры оптом
Новости
Где купить
Поддержка
Контакты
...
Компания
О компании
История
Партнёры
Отзывы
Вакансии
Оборудование
Бытовые сплит-системы
Сплит-системы
Серия Alfa DC Inverter
Серия Omega
Серия Freddo DC Inverter
Серия Freddo Grey DC Inverter
Серия Freddo S DC Inverter
Серия Fresco
Серия Fresco S
Мультисплит-системы
Канальные внутренние блоки
Кассетные внутренние блоки
Напольно-потолочные внутренние блоки
Настенные внутренние блоки
Универсальные наружные блоки
Аксессуары для сплит-систем
Мультизональные VRF-системы
Высоконапорные канальные внутренние блоки
Индивидуальные VRF
Кассетные внутренние блоки
Модульные наружные блоки
Напольно-потолочные внутренние блоки
Наружные блоки Mini
Настенные внутренние блоки
Низконапорные канальные внутренние блоки
Средненапорные канальные внутренние блоки
Тонкие канальные блоки
Аксессуары для VRF
Полупромышленные кондиционеры
Аксессуары для полупромышленных кондиционеров
Канальные сплит-системы
Кассетные сплит-системы
Колонные сплит-системы
Напольно-потолочные сплит-системы
Наружные блоки
Промышленные кондиционеры
Аксессуары для промышленных кондиционеров
Канальные внутренние блоки большой мощности
ККБ
Колонные внутренние блоки большой мощности
Мини чиллеры
Модульные чиллеры
Мощные чиллеры с винтовым компрессором
Руфтопы
Универсальные наружные блоки
Фанкойлы
Кассетные 360° Х серия
Кассетные 4х-поточные 2х-трубные
Кассетные 4х-поточные 2х-трубные компактные
Кассетные 4х-поточные 4х-трубные
Кассетные однопоточные
Настенные фанкойлы
Средненапорные канальные Х серия
Низконапорные канальные
Высоконапорные канальные
Средненапорные канальные
Напольно-потолочные бескорпусные
Напольно-потолочные с забором воздуха снизу
Напольно-потолочные с забором воздуха спереди
Канального типа, 2‑х трубные, высоконапорные, серия Q
Канального типа, 4‑х трубные, серия Q
Канальные 4х-трубные
Кассетного типа 4‑х трубные, серия Q
Консольного типа ультратонкие, 2‑х трубные, серия Q
Напольно-потолочные 2-х трубные, серия Q
Напольно-потолочные, 4-х трубные, серия Q
Настенные фанкойлы сериа А
Тепловые насосы
Наши объекты
Мультизональные системы
Полупромышленные системы
Чиллеры
Стать дилером
Стать дилером
Кондиционеры оптом
Новости
Где купить
Поддержка
Контакты
Поиск
Компания
Назад
Компания
О компании
История
Партнёры
Отзывы
Вакансии
Оборудование
Назад
Оборудование
Бытовые сплит-системы
Назад
Бытовые сплит-системы
Сплит-системы
Назад
Сплит-системы
Серия Alfa DC Inverter
Серия Omega
Серия Freddo DC Inverter
Серия Freddo Grey DC Inverter
Серия Freddo S DC Inverter
Серия Fresco
Серия Fresco S
Мультисплит-системы
Назад
Мультисплит-системы
Канальные внутренние блоки
Кассетные внутренние блоки
Напольно-потолочные внутренние блоки
Настенные внутренние блоки
Универсальные наружные блоки
Аксессуары для сплит-систем
Мультизональные VRF-системы
Назад
Мультизональные VRF-системы
Высоконапорные канальные внутренние блоки
Индивидуальные VRF
Кассетные внутренние блоки
Модульные наружные блоки
Напольно-потолочные внутренние блоки
Наружные блоки Mini
Настенные внутренние блоки
Низконапорные канальные внутренние блоки
Средненапорные канальные внутренние блоки
Тонкие канальные блоки
Аксессуары для VRF
Полупромышленные кондиционеры
Назад
Полупромышленные кондиционеры
Аксессуары для полупромышленных кондиционеров
Канальные сплит-системы
Кассетные сплит-системы
Колонные сплит-системы
Напольно-потолочные сплит-системы
Наружные блоки
Промышленные кондиционеры
Назад
Промышленные кондиционеры
Аксессуары для промышленных кондиционеров
Канальные внутренние блоки большой мощности
ККБ
Колонные внутренние блоки большой мощности
Мини чиллеры
Модульные чиллеры
Мощные чиллеры с винтовым компрессором
Руфтопы
Универсальные наружные блоки
Фанкойлы
Назад
Фанкойлы
Кассетные 360° Х серия
Кассетные 4х-поточные 2х-трубные
Кассетные 4х-поточные 2х-трубные компактные
Кассетные 4х-поточные 4х-трубные
Кассетные однопоточные
Настенные фанкойлы
Средненапорные канальные Х серия
Низконапорные канальные
Высоконапорные канальные
Средненапорные канальные
Напольно-потолочные бескорпусные
Напольно-потолочные с забором воздуха снизу
Напольно-потолочные с забором воздуха спереди
Канального типа, 2‑х трубные, высоконапорные, серия Q
Канального типа, 4‑х трубные, серия Q
Канальные 4х-трубные
Кассетного типа 4‑х трубные, серия Q
Консольного типа ультратонкие, 2‑х трубные, серия Q
Напольно-потолочные 2-х трубные, серия Q
Напольно-потолочные, 4-х трубные, серия Q
Настенные фанкойлы сериа А
Тепловые насосы
Наши объекты
Назад
Наши объекты
Мультизональные системы
Полупромышленные системы
Чиллеры
Стать дилером
Назад
Стать дилером
Стать дилером
Кондиционеры оптом
Новости
Где купить
Поддержка
Контакты
г. Москва, г. Москва, ш. Энтузиастов, д. 17
+7 (495) 212-07-22
info@igc-aircon.com
Личный кабинет
Поиск
Главная
/
Поддержка
/
Техническая документация
/
Бытовые сплит-системы
/
Сплит-системы
/
Схемы подключений
/
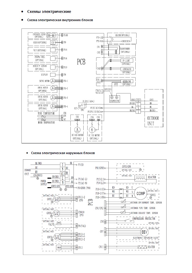
Схемы подключения сплит-системы Alfa
Схемы подключения сплит-системы Alfa
Где купить?
Документы
Дополнительно
Документы
Схемы электрические серии Альфа_DC
433.2 Кб
Дополнительно
Поделиться
Назад к списку
Продолжая использовать сайт, вы соглашаетесь с
политикой использования
файлов cookie.
OK